別稱:緊急切斷閥電磁閥 燃氣緊急切斷閥
型號:ZCRB-16
燃氣安全切斷閥概述:
燃氣安全切斷閥(Gas safety shut-off valve)屬工業級手動復位開閥、交流/直流電脈沖驅動關閥且開關狀態捍自保持的隔爆型防爆電磁閥。它是燃氣管道的安全緊急切斷裝置。它可與燃氣泄漏報警器系統連接或消防及遠程自動/手動緊急切斷氣源確安保用氣安全。當發生燃氣泄漏、報全警器報警給電磁閥通電時,閥門會自動關閉。開閥需經人工手動開啟滿足安全管理規范,符合燃氣泄漏事故處理要求。
燃氣安全切斷閥技術參數:
適用介質:天然氣,液化氣,煤氣 | 關閉時間≤1S |
密封材料:氟橡膠 | 只能手動開啟(手動復位) |
閥體材料:澆鑄鋁合金,碳鋼,不銹鋼 | 防爆標志: ExdIIcT5 Gb |
使用環境溫度:-20℃~+60℃ | 防護等級:IP65(要求蓋上防護罩) |
運輸貯存溫度:-40℃~+60℃ | 電纜長度:1.5米(雙護套引線) |
公稱壓力:PN16(用于法蘭) | 連接方式:內螺紋、法蘭(見規格尺寸表) |
最大工作壓力:0.1MPa~0.4MPa | 滿足標準:Q/CNS 1-2013 |
注:1bar=0.1MPa=14.5PSI | 關閉方式:通電 |
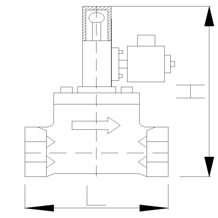
燃氣安全切斷閥外形圖:

燃氣安全切斷閥連接尺寸圖:
公稱通徑DN | 內螺紋 | 法蘭連接 | ||||||
G螺紋 | L | H | L | H | D | K | n-∅d | |
25 | 1 | 100 | 225 | 118 | 260 | 105 | 85 | 4-14 |
32 | 1-1/4 | 125 | 235 | 128 | 270 | 122 | 100 | 4-14 |
40 | 1-1/2 | 140 | 250 | 152 | 295 | 136 | 110 | 4-16 |
50 | 2 | 158 | 270 | 160 | 310 | 155 | 125 | 4-17 |
65 | 205 | 365 | 175 | 145 | 4-17 | |||
80 | 270 | 395 | 195 | 160 | 8-18 | |||
100 | 300 | 425 | 215 | 180 | 8-18 | |||
125 | 400 | 480 | 270 | 220 | 8-18 | |||
150 | 480 | 510 | 280 | 240 | 8-23 | |||
200 | 600 | 585 | 340 | 295 | 12-23 | |||
250 | 630 | 680 | 405 | 355 | 12-25 | |||
300 | 700 | 750 | 460 | 410 | 12-25 |
燃氣安全切斷閥特點:
隔爆型防爆:防爆罩采用鋼鐵材料制造,可室外防水、防外部沖擊力,防環境溫度變化
關閥方式:通過給線圈斷電來關閉閥門。
開閥方式:手動開啟,開閥需到現場人工操作,符合燃氣事故處理要求
保持方式:雙穩態功能,無任何動力下保持常開及常閉狀態
關閥速度:小于1秒。
結構:閥內介質與外部完全隔離安全可靠。
靜密封性能:三點一線(導向銷手動桿、活塞),密封嚴密。
動密封:雙級密封,動密封環具有磨損自動補償功能,壽命延長。