開關型電動球閥
別稱:防爆電動球閥 電動O型球閥
型號:BFHDQ-0040-080C BFHDQ-0040-080P
電動球閥簡介:
電動球閥(Electric ball valve)由防爆電動執行機構(防爆等級:Exd Ⅱ BT4,Exd Ⅱ CT5)與防火防靜電球閥組成,作為工業自動化控制系統中的遠距離控制電動閥門。廣泛應用于石油、化工、電力、消防、冶金、罐裝設備、燃氣設備、能源、制藥、造紙、食品機械,水處理、釀造、船舶、碼頭及樓宇自動化等領域。

技術要求:
1,結構長度按:GB/T12221-2005
2,設計制造按:GB/T 12237-2008
3,法蘭連接按:GB/T 9113-2010
4,檢驗和試驗:GB/T 13927
5,耐火試驗按:JB/T 6899
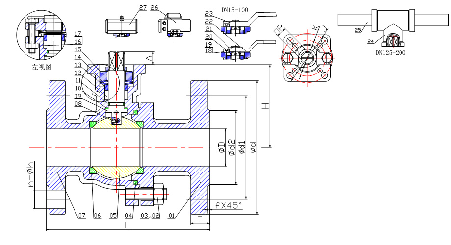
電動球閥結構小樣圖

開關型電動球閥連接尺寸表:
主要外形尺寸-PN40(4.0MPa) |
公稱通徑
[DN] | 尺寸[mm] | 執行器選配 |
L | ∅D | ∅d | ∅d1-T | ∅d2-f | H | A-□P | K-J | N-∅h |
15 | 130 | 15 | 95 | 65-16 | 45-2 | 51 | 9 | 36-50 | 4-14 | PN16-40 | CHQ-005 |
20 | 130 | 20 | 105 | 75-18 | 58-2 | 55 | 9 | 36-50 | 4-14 | PN16-40 | CHQ-005 |
25 | 140 | 25 | 115 | 85-18 | 68-2 | 63 | 11 | 42-50 | 4-14 | PN16-40 | CHQ-008 |
32 | 165 | 32 | 140 | 100-18 | 78-2 | 71 | 11 | 42-50 | 4-18 | PN16-40 | CHQ-008 |
40 | 165 | 38 | 150 | 110-18 | 88-2 | 81 | 14 | 50-70 | 4-18 | PN16-40 | CHQ-010 |
50 | 203 | 50 | 165 | 125-20 | 102-2 | 88 | 14 | 50-70 | 4-18 | PN16-40 | CHQ-010 |
65 | 222 | 65 | 185 | 145-22 | 122-2 | 114 | 17 | 70-102 | 8-18 | PN25-40 | CHO-015 |
80 | 241 | 76 | 200 | 160-24 | 138-2 | 124 | 17 | 70-102 | 8-18 | PN25-40 | CHQ-020 |
100 | 305 | 100 | 235 | 190-24 | 162-2 | 147 | 17 | 70-102 | 8-22 | PN25-40 | CHQ-030 |
125 | 356 | 125 | 270 | 220-26 | 188-2 | 179 | 22 | 102-125 | 8-26 | PN25-40 | CHQ-050 |
150 | 394 | 150 | 300 | 250-26 | 218-2 | 207 | 27 | 102-125 | 8-26 | PN25-40 | CHQ-120 |
200 | 457 | 200 | 375 | 320-30 | 285-2 | 246 | 36 | 125-140 | 12-30 | PN40 | CHQ-200 |
“YongLong”永龍(上海)閥門廠專業從事電動執行機構、電動閥門及氣動執行機構、氣動閥門其自動化控制系統的研究、開發、生產和銷售。以中外合資優質電動閥門品牌:開關型電動球閥,防爆型電動球閥,調節型電動球閥,電動切斷閥,電動O型球閥,電動切斷球閥,電動V型球閥,永龍閥門品質保證24個月。