防爆型電動球閥 一體式電動開關型球閥
型號:FHDQ-0016-080P
防爆型電動球閥概述:
防爆型電動球閥采用CF8/不銹鋼一體式球閥與防爆型執行器組合,可以廣泛應用于石油、化工、水處理、船舶、造紙、電站、供熱、樓宇自控、輕工等各行業中。以380V/220V/110V交流電源為驅動電源,以4-20mA電流信號或0-10V DC 電壓信號為控制信號,可使閥門運動到所需位置,實現其自動化控制。

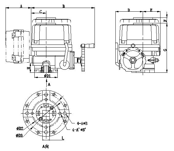
防爆執行器Explosion-proof Actuator/尺寸表Dimensions:
高溫電動球閥技術參數:
防爆執行器Explosion-proof Actuator/外觀圖Outside View
防爆執行器Explosion-proof Actuator/尺寸表Dimensions:
Model | ФD2/D3 | A*B | A'*B' | A | B | C | D | E | F | G | H | L | ФD1 |
-005 | Ф70 | M8*12 | - | 136.5 | 269.5 | 53.5 | 90 | 71 | 120 | 233.5 | 40 | 11 | 90 |
008 | 14 | ||||||||||||
010 | 14 | ||||||||||||
015 | Ф70/102 | M10*17 | M8*17 | 140 | 346 | 81 | 140 | 100 | 160 | 270 | 45 | 17 | 125 |
020 | |||||||||||||
030 | Ф102/125 | M12*17 | M10*17 | 140 | 358 | 82 | 140 | 100 | 180 | 290 | 55 | 22 | 150 |
050 | 22 | ||||||||||||
060 | 27 | ||||||||||||
080 | Ф125/140 | M16*20 | M12*20 | 140 | 390 | 100 | 140 | 100 | 210 | 322 | 65 | 27 | 180 |
120 | 36 |
防爆執行器Explosion-proof Actuator/調試說明Debug Description


行程限位的調整Adjustment of stroke limit
首先,合上離合器手柄,轉動手輪使執行器運動到閥門全關的位置。然后,用扳手松開限位凸輪,將其調整到恰好壓下限位開關(CLS)的位置,再將限位凸輪固緊。這樣就設定好了執行器全關時電器限位的位置。全開時的位置同樣可設定。
機械限位的調整Adjustment of mechanical limit
松開機械限位螺釘的鎖緊螺母,然后手動使執行器運動到全關的位置,旋轉限位螺母,當其碰到里面的扇形齒輪后停止轉動,再旋出兩圈,最后上緊鎖緊螺母。這樣就設定好了執行器全關時的機械限位的位置。全開時的位置可同樣設定。