聯系永龍
咨詢熱線021-57566219- 手機:15900658318
- 傳真:021-57568296
- 郵箱:1257073858@qq.com
- 地址:上海市奉賢區南亭公路
- 2788號
AWJ45F-40P氨用截止閥_型號字母含義
時間:2018-10-28 21:41:47 來源:永龍閥門 閱讀:0次
AWJ45F-40P氨用截止閥_型號字母含義
AWJ45F-40P氨用截止閥別稱:氨氣專用截止閥,液氨專用截止閥,是液態氨,氣態氨管道上面的手動閥門,氨用閥門結構采用暗桿形式,螺母設置上部閥體里面,:1,主要防止閥桿腐蝕導致開關不靈活,2,明桿截止閥的螺母是黃銅的,液氨閥門不允許使用黃銅的零部件,即使是微量的氨(幾個ppm)也能使受拉應力的黃銅產生應力腐蝕破裂。3,螺母設置在外圍,容易堆積灰塵,會影響閥桿的開關動作,磨損閥桿,導致脫牙。


氨用截止閥型號字母含義
A代表:氨用,液氨專用閥門,氨氣專用閥門
W代表:自密封填料設計,無需維護。或中部增加波紋管做密封
J代表:截止閥類型
4代表:法蘭形式,常用為F/凹面,也有RF/突面,與M/凸面
5代表:暗桿結構
F代表:PTFE聚四氟乙烯密封,代替以前的巴氏合金密封。B代表:巴氏合金密封,H代表:不銹鋼密封面,Y代表:硬質合金
40代表:閥體的壓力,4.0MPa,40公斤壓力的介質使用。
P代表:閥體CF8/304不銹鋼材質。R代表:閥體CF8M/316不銹鋼材質,R、代表:閥體CF3M/316L不銹鋼材質,C代表:閥體WCB/碳鋼材質
。
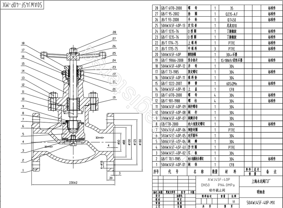
氨用截止閥結構圖/明細表

氨用截止閥結構圖/明細表

AWJ45F-40P氨用截止閥是上海永龍閥門廠根據第一代氨用截止閥原基礎改進而來,增加自密封彈簧加載,密封采用PTFE軟密封,從而達到了閥桿、閥瓣零泄漏的效果,解決了以往在閥門開啟和關閉手動動作出現閥桿跑漏的問題。
【推薦閱讀】 / TECHNICAL ARTICLES
- + A42F全啟式液氨安全閥_氨用閥門2018-11-19
- + 氨用閥門與泵的安裝要點2019-06-17
- + 氨用止回閥的選型2019-12-14
- + 氨用止回閥的選型|液氨截止閥制造商2019-06-27
- + 氨用閥門:液氨球閥鑄造工藝2021-12-02
- + 液氨閥門_密封及殼體的試壓方式2020-07-24
- + 液氨截止閥安裝的技術要求2020-09-02
- + 彈簧式液氨專用安全閥-選型說明2020-03-28
- + 波紋管氨用截止閥的用途2019-11-19
- + 液氨球閥密封面材料的選擇考慮的因素2021-02-18