聯系永龍
咨詢熱線021-57566219- 手機:15900658318
- 傳真:021-57568296
- 郵箱:1257073858@qq.com
- 地址:上海市奉賢區南亭公路
- 2788號
上海氨閥:PN2.5MPa液氨截止閥連接尺寸明細表
時間:2018-10-05 16:10:19 來源:永龍閥門 閱讀:0次
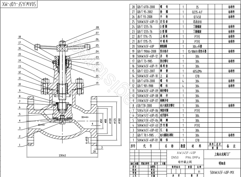
上海氨閥:PN2.5MPa液氨截止閥連接尺寸明細表永龍氨用截止閥結構借鑒美國自密封截止閥和日本倒密封截止閥結合為一體。是針對氨氣介質輸送的特殊要求,并結合國內閥門應用的實際情況,采用新穎的密封形式和可靠的密封結構設計而成。采用美標精鑄直通式閥體,有效減少進口壓力到出口壓力壓差。暗桿式結構,手輪轉,閥桿不上升,更適合在有效的空間場合應用。
氨用截止閥結構圖:

氨氣截止閥具有密封性能穩定、使用安全可靠、耐腐蝕性強、無介質內、外漏以及操作輕便等特點,成功解決了化工管道用普通閥門耐腐蝕性能差、殼體易穿孔以及密封性能差、易泄露的難題,特別適用于化工行業氨氣,燃氣管道的傳送,并滿足長期可靠使用的要求。其密封性、可維修性、安全性等。
上海氨閥:液氨截止閥連接尺寸明細表:2.5MPa壓力液氨截止閥外形尺寸和氨氣截止閥連接尺寸:單位:mm
公稱通徑 DN |
PN2.5MPa | |||||||
L/閥門長度 | D/法蘭外徑 | D1/中心孔距 | D2/法蘭接觸面 | b/法蘭厚度 | z-∅d/螺栓孔 | H/中心距 | Do/手輪外徑 | |
15 | 130 | 95 | 65 | 45 | 16 | 4-∅14 | 218 | 120 |
20 | 150 | 105 | 75 | 55 | 16 | 4-∅14 | 258 | 140 |
25 | 160 | 115 | 85 | 65 | 16 | 4-∅14 | 275 | 160 |
32 | 180 | 135 | 100 | 78 | 18 | 4-∅18 | 280 | 180 |
40 | 200 | 145 | 110 | 85 | 18 | 4-∅18 | 330 | 200 |
50 | 230 | 160 | 125 | 100 | 20 | 4-∅18 | 350 | 240 |
65 | 290 | 180 | 145 | 120 | 18 | 8-∅18 | 375 | 280 |
80 | 310 | 195 | 160 | 135 | 22 | 8-∅18 | 400 | 280 |
100 | 350 | 230 | 190 | 160 | 24 | 8-∅23 | 415 | 320 |
125 | 400 | 270 | 220 | 188 | 28 | 8-∅25 | 460 | 360 |
150 | 480 | 300 | 250 | 218 | 30 | 8-∅25 | 510 | 400 |
200 | 600 | 360 | 310 | 278 | 34 | 12-∅25 | 710 | 400 |
250 | 730 | 425 | 370 | 332 | 36 | 12-∅30 | 786 | 450 |
300 | 850 | 485 | 430 | 390 | 40 | 12-∅30 | 925 | 500 |
液氨截止閥倒密封/自密封結構:閥桿上部密封加載彈簧,在上填料PTFE常久使用磨損借住彈簧力保持上填料不泄漏,內部閥桿倒密封設計構成雙道密封:密封面上部添加一道∧型閥圈,閥體下部壓制∧型PTFE密封圈,閥桿上升二道∧型結構緊扣,成功有效防止閥桿永久不外漏。
【推薦閱讀】 / TECHNICAL ARTICLES
- + PN4.0MPa氨用截止閥法蘭連接尺寸2018-10-28
- + 液氨專用球閥選用原則2020-12-01
- + 液氨安全閥前端隔離閥的設置2019-05-15
- + GB/T26478氨用截止閥靜壓壽命試2019-09-18
- + 【氨閥知識】液氨閥門有哪些?_永龍閥門2018-11-15
- + 氨用截止閥工作原理與氨用節流閥結構說明2018-10-28
- + 彈簧式液氨專用安全閥-選型說明2020-03-28
- + 氨用閥門與泵的安裝要點2019-06-17
- + 氨用安全閥 Liquid ammoni2020-04-19
- + AWJ41F-25P氨用截止閥_型號代2018-10-28