聯系永龍
咨詢熱線021-57566219- 手機:15900658318
- 傳真:021-57568296
- 郵箱:1257073858@qq.com
- 地址:上海市奉賢區南亭公路
- 2788號
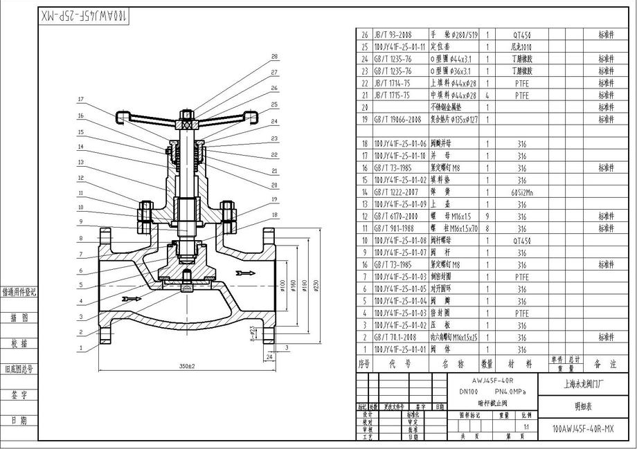
氨用截止閥零部件明細表
時間:2020-04-10 16:18:07 來源:永龍閥門 閱讀:0次
上海氨用截止閥廠家●上海永龍閥門廠致力于苛刻工況下閥門的設計,制造和生產及銷售,公司開發的氨用閥門能有效的解決了閥體滲漏、內漏、填料滲漏、閥桿損壞,彎曲等問題,維護少的運行作業能力為用戶節省了大量的成本,同時也得到廣大用戶的認可。氨用截止閥零部件明細表

氨用截止閥也稱液氨截止閥,氨氣截止閥,采用彈性V型PTFE聚四氟乙烯做為閥桿動密封填料,由填料蓋/不銹鋼強力彈簧提供初始密封,填料密封性能隨介質壓力上升而增強,即具有自密封性能,無需人工維護,區別于其他閥門,開關輕,密封性能好,經久耐磨,使用壽命長的特點,適用于大多數中低壓液氨,氨氣,液化氣,天然氣輸送管線,加氣站,儲配站等弱腐蝕介質場合。
【推薦閱讀】 / TECHNICAL ARTICLES
- + 氨用截止閥和氨用球閥的區別?2020-11-25
- + 氨用截止閥零部件明細表2020-04-10
- + 液氨截止閥和氨用止回閥試壓方法2020-04-10
- + 氨用截止閥 Liquid ammoni2020-04-18
- + 不銹鋼氨用截止閥酸洗鈍化質量檢驗2020-04-10
- + 不同工況截止閥的選型方法2022-05-15
- + 氨用截止閥_不銹鋼氨用截止閥檢修工藝2020-04-21
- + 氨用截止閥和液氨安全閥安裝知識2020-11-24
- + 氨用截止閥結構圖-氨用截止閥材料明細表2020-06-09
- + AJ41F-40C氨用截止閥_安裝常識2020-10-07